Engineering
CAD / Prototyping
Mechanical Design
Fabrication
Engraving
A collection of applied projects centered on problem-solving through ideation and creation. Spanning fabrication, prototyping, and built interventions, each project responds to functional needs, material constraints, and context —translating ideas into practical, desired outcomes.
Learn by Doing
·
Form & Function
·
Human-Centric Design
·
Learn by Doing · Form & Function · Human-Centric Design ·
My Process
-

Problem
Determine the problem and identify the gap, based on customer feedback.
-

Considerations
Evaluate the needs framework for identifying priorities.
-

Development
Ideation and prototyping to identify solution opportunities and gaps.
-

Final Product
Execute fully refined solution within customer needs, wants, and constraints.
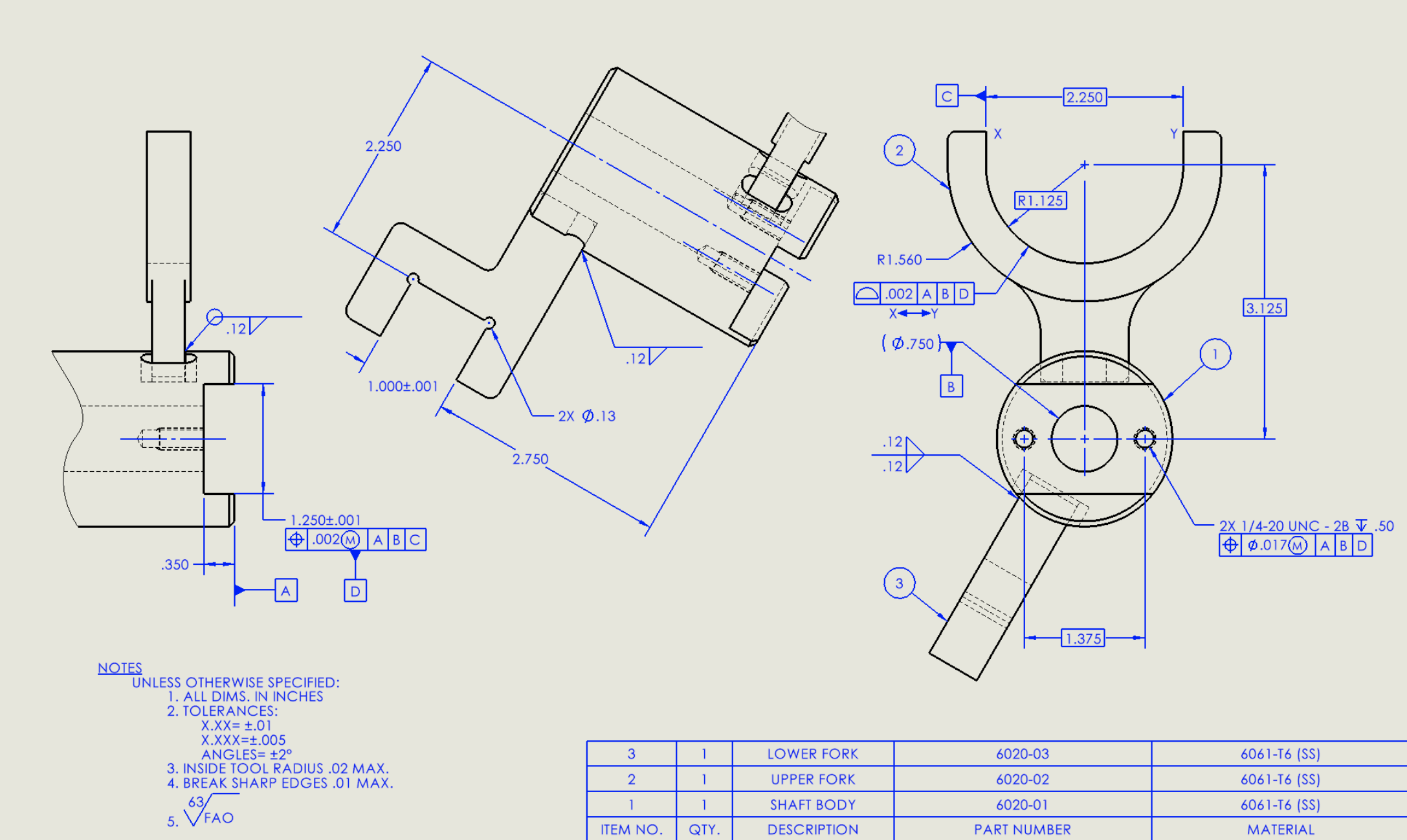
Prototyping
-

Stackable Vial Holder
A modular vial holder designed to securely store and stack 50× test tubes while maintaining accessibility and stability during handling.
-

Prototype Iteration
Early prototypes were 3D printed to evaluate fit, tolerances, and stacking behavior prior to final material selection.
-

Final Fabrication
The final version was produced in metal to meet durability requirements and accommodate automated vial closure, requiring precise engagement with top-groove geometry for secure holding.
Engraving
-

Initial Design & Preparation
Vector artwork was prepared and scaled for engraving, accounting for alignment and boundaries on a curved bottle surface.
-

Process Testing & Setup
Test engravings and fixture setup were used to refine laser settings and ensure consistent alignment.
-

Final Fabrication
The finalized engraving was executed after parameter refinement, producing a clean, consistent pattern integrated into the bottle surface.
Residential Spatial Planning Project
-

Spatial Layout Render
Digital visualization used to evaluate furniture placement, circulation, and wall composition within an existing residential living space prior to implementation.
Goals — Visually divide room into two defined spaces, implement all given art in limited space
-

Implemented Wall Composition
Final execution of the planned layout, translating digital spacing and alignment decisions into the physical environment through measured placement and installation.
Laser-Cut Wooden Puzzle
-

Concept & Pattern Design
An illustrated form was translated into an interlocking puzzle pattern, balancing visual complexity with functional piece geometry to create personalized components.
-

Material & Process Planning
Plywood material and laser-cut parameters were selected and tested to ensure clean cuts, structural integrity, and consistent fit between pieces.
-

Fabrication & Final Result
The final puzzle was laser cut and assembled, validating tolerances, piece connectivity, and overall usability of the design.
Residential Step Improvement
-

Assessment & Constraint Definition
An existing concrete step was evaluated for durability, safety, and long-term performance. The project was intentionally constrained by budget and material quality, using tiles purchased as defective to explore cost-efficient and environmentally friendly solutions.
-

Material Selection & Layout Planning
Imperfect tiles were selectively arranged to manage dimensional variation, surface irregularities, and visual balance while maintaining structural continuity and slip resistance.
-

Installation & Final Outcome
The final installation improved durability, aesthetic, and function while demonstrating how material imperfections can be leveraged as design variables rather than limitations.